In PM-5 series burners, the modern design of the combustion unit and the proper selection of the combustion air fan provide a smooth and stable flame even under the most severe combustion chamber or furnace conditions. The combustion air in this model series is controlled by a servo motor with high precision. All the burner components are readily accessible and the burner body, when mounted on the boiler, can be moved either to the left or the right to provide easy access to the combustion head.
Some features of this model series are as below:
-
- Capacity ranging from 300 kW to 1700 kW
- Two-stage operation with gas and liquid fuels
- Monoblock type with small size and weight for easy installation
- Best controllers made either by Siemens or Honeywell
- Input adjustability for obtaining high efficiency and reducing energy consumption
- Easy access to all parts of the combustion unit without needing to dismount the burner from the boiler
- Environmentally friendly with minimum pollutants in flue gases
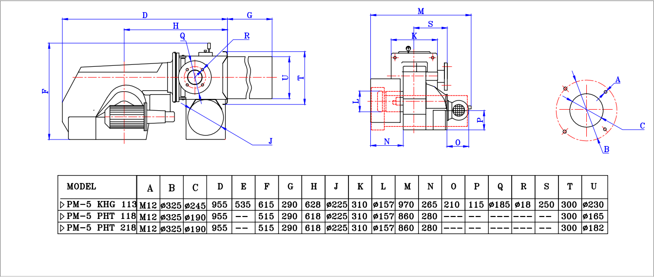
Specifications, diagram, and dimensions for Model PM-5 PHT, two-stage heavy oil burners of PM-5 series, are provided in the following tabs.



