مشعلهای سری PM5 با عملکرد دومرحلهای و برای انواع سوختهای رایج مانند گاز، گاز مایع، گازوئیل و مازوت تولید میشوند. مشعلهای این سری بر روی انواع دیگهای آبگرم، بویلر بخار، کورههای هوای گرم، انواع مبدل و دیگهای روغن داغ قابل نصب میباشند. در این سری دبی هوای مورد نیاز احتراق بوسیله یک سروموتور با دقت بالا کنترل میشود.
در مدلهای دوگانهسوز گاز و گازوئیل این سری، به منظور تنظیم دقیق دبی هوای مرحله اول و دوم، علاوه بر دمپر هوای اصلی از یک دمپر داخلی نیز استفاده میشود. این سیستم که با یک سروموتور جداگانه کنترل میشود مانند یک اوریفیس متحرک عمل کرده و در مرحله اول یا شعله کوتاه در نزدیکی شعله پخشکن و در مرحله دوم در قسمت انتهای شعلهپوش قرار میگیرد. از ویژگیهای منحصر به فرد مشعلهای سری PM5 این است که به صورت سفارشی با عملکرد تدریجی نیز تولید میشوند.
برخی از خصوصیات این سری به شرح زیر است:
- محدوده ظرفیت 300 تا 1700 کیلووات
- بهرهگیری از محصولات بهترین برندهای تجهیزات کنترلی؛ شرکتهای Siemens و Honeywell
- قابلیت تنظیم دقیق فرایند احتراق به منظوردستیابی به راندمان بالا و کاهش مصرف سوخت
- دسترسی و سرویس آسان به تمامی قطعات واحد احتراق بدون نیاز به باز نمودن مشعل از دیگ
- ساختار مونوبلاک با ابعاد و وزن مناسب جهت نصب آسان
- آلایندگی بسیار کم و سازگاری با محیطزیست
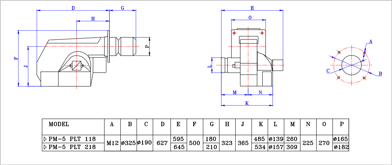
مشخصات، نمودار ظرفیت و ابعاد مدل PM5 PLT، مشعلهای گازوئیلسوز دومرحلهای سری PM5، در ادامه ارائه شده است.




