• صفحه اصلی
  • درباره ما
  • محصولات
    • مشعل گازسوز
      • یک‌مرحله‌ای
      • دو‌مرحله‌ای
      • تدریجی
    • مشعل گازوئیل‌سوز
      • یک‌مرحله‌ای
      • دو‌مرحله‌ای
      • تدریجی
    • مشعل مازوت‌سوز
      • یک‌مرحله‌ای
      • دو‌مرحله‌ای
      • تدریجی
    • مشعل دو‌گانه‌‎سوز
      • گاز و مازوت
        • یک‌مرحله‌ای
        • دو‌مرحله‌ای
        • تدریجی
      • گاز و گازوئیل
        • یک‌مرحله‌ای
        • دو‌مرحله‌ای
        • تدریجی
  • خدمات پس از فروش
    • ثبت شکایات
  • اخبار
  • کاتالوگ
  • تماس با ما

مشعل گازسوز

PM3 PGT

PM3 PGT

مشعل‌های سری PM3 در گروه مشعل‌های با ظرفیت پایین و یا خانگی قرار می‌گیرند. این مشعل‌ها بر روی انواع دیگ‌های آب‌گرم چدنی و فولادی، بویلرهای کوچک بخار و کوره‌های هوای گرم قابل نصب می‌باشند. مشعل‌های سری PM3 در ظرفیت‌های پایین بصورت تک‌مرحله‌ای، در ظرفیت‌های بالا بصورت دو‌مرحله‌ای و به صورت سفارشی با عملکرد تدریجی تولید می‌شوند.

برخی از خصوصیات این سری به شرح زیر است:    

  • محدوده ظرفیت 92 تا 474 کیلووات
  • قابلیت تنظیم دقیق فرایند احتراق به منظوردستیابی به راندمان بالا و کاهش مصرف سوخت
  • ساختار مونوبلاک با ابعاد و وزن مناسب جهت نصب آسان
  • آلایندگی بسیار کم و سازگاری با محیط‌زیست

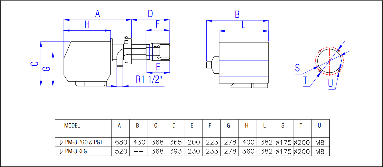
مشخصات، نمودار ظرفیت و ابعاد مدل PM3 PGT، مشعل‌های گاز‌سوز دو‌مرحله‌ای سری PM3، در ادامه ارائه شده است.

AddThis Social Bookmark Button
مشخصاتنمودار ظرفیتابعاد

 PM3 PGT table

 

 PM3 PGT dia

 

 PM3 PGT Dimensions



تهران، خیابان کریمخان زند، نبش سپهبد قرنی
جنب بانک تجارت، پلاک 196
صندوق پستی 15855-338
021 88830571-3



خدمات
خدمات مشتریان
پشتیبانی فنی


محصولات
گاز‌سوز
گازوئیل‌سوز
مازوت‌سوز
دو‌گانه‌سوز


درباره ما
درباره ما

تماس با ما
تماس با ما


صفحه اصلی


اخبار
اخبار
 

تمامی حقوق مادی و معنوی این وب‌سایت برای شرکت پارس مشعل محفوظ است. طراحی و سئو سایت