• صفحه اصلی
  • درباره ما
  • محصولات
    • مشعل گازسوز
      • یک‌مرحله‌ای
      • دو‌مرحله‌ای
      • تدریجی
    • مشعل گازوئیل‌سوز
      • یک‌مرحله‌ای
      • دو‌مرحله‌ای
      • تدریجی
    • مشعل مازوت‌سوز
      • یک‌مرحله‌ای
      • دو‌مرحله‌ای
      • تدریجی
    • مشعل دو‌گانه‌‎سوز
      • گاز و مازوت
        • یک‌مرحله‌ای
        • دو‌مرحله‌ای
        • تدریجی
      • گاز و گازوئیل
        • یک‌مرحله‌ای
        • دو‌مرحله‌ای
        • تدریجی
  • خدمات پس از فروش
    • ثبت شکایات
  • اخبار
  • کاتالوگ
  • تماس با ما

مشعل مازوت‌سوز

PM5 PHT

PM5 PHT

مشعل‌های سری PM5 با عملکرد دو‌مرحله‌ای و برای انواع سوخت‌های رایج مانند گاز، گاز مایع، گازوئیل و مازوت تولید می‌شوند. مشعل‌های این سری بر روی انواع دیگ‌های آب‌گرم، بویلر بخار، کوره‌های هوای گرم، انواع مبدل و دیگ‌های روغن داغ قابل نصب می‌باشند. در این سری دبی هوای مورد نیاز احتراق بوسیله یک سروموتور با دقت بالا کنترل می‌شود.

در مدل‌‌های دوگانه‌سوز گاز و گازوئیل این سری، به منظور تنظیم دقیق دبی هوای مرحله اول و دوم، علاوه بر دمپر هوای اصلی از یک دمپر داخلی نیز استفاده می‌شود. این سیستم که با یک سروموتور جداگانه کنترل می‌شود مانند یک اوریفیس متحرک عمل کرده و در مرحله اول یا شعله کوتاه در نزدیکی شعله پخش‌کن و در مرحله دوم در قسمت انتهای شعله‌پوش قرار می‌گیرد. از ویژگی‌های منحصر به فرد مشعل‌های سری PM5 این است که به صورت سفارشی با عملکرد تدریجی نیز تولید می‌شوند.

برخی از خصوصیات این سری به شرح زیر است:  

  • محدوده ظرفیت 300 تا 1700 کیلووات
  • بهره‌گیری از محصولات بهترین برندهای تجهیزات کنترلی؛ شرکت‌های Siemens و Honeywell
  • قابلیت تنظیم دقیق فرایند احتراق به منظوردستیابی به راندمان بالا و کاهش مصرف سوخت
  • دسترسی و سرویس آسان به تمامی قطعات واحد احتراق بدون نیاز به باز نمودن مشعل از دیگ
  • ساختار مونوبلاک با ابعاد و وزن مناسب جهت نصب آسان
  • آلایندگی بسیار کم و سازگاری با محیط‌زیست

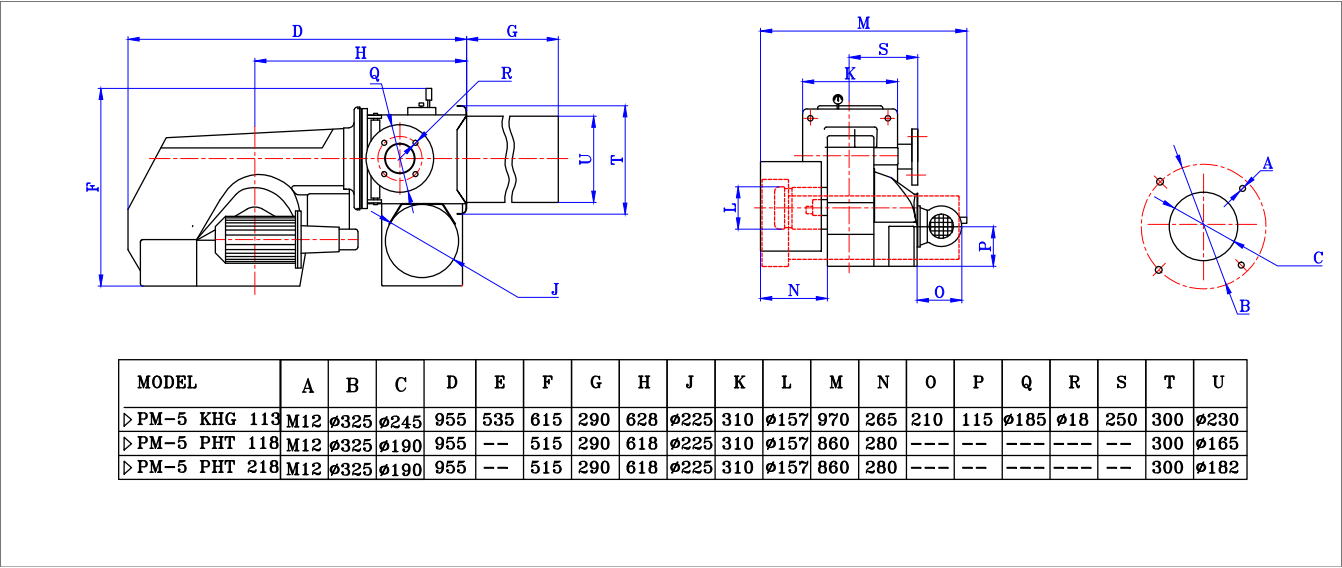
مشخصات، نمودار ظرفیت و ابعاد مدل PM5 PHT، مشعل‌های مازوت‌سوز دومرحله‌ای سری PM5، در ادامه ارائه شده است.

AddThis Social Bookmark Button
مشخصاتنمودار ظرفیتابعاد

 PM5 PHT table  

 PM5 PHT dia 

 PM5 PHT Dimenstions



تهران، خیابان کریمخان زند، نبش سپهبد قرنی
جنب بانک تجارت، پلاک 196
صندوق پستی 15855-338
021 88830571-3



خدمات
خدمات مشتریان
پشتیبانی فنی


محصولات
گاز‌سوز
گازوئیل‌سوز
مازوت‌سوز
دو‌گانه‌سوز


درباره ما
درباره ما

تماس با ما
تماس با ما


صفحه اصلی


اخبار
اخبار
 

تمامی حقوق مادی و معنوی این وب‌سایت برای شرکت پارس مشعل محفوظ است. طراحی و سئو سایت